MC510-10 / MC610-10 / MC610-50
This page also applies to the TM610 ThinManager Ready platform.
Technical Resources
Internal Access
The MC610 can be opened by the user. This does not void the warranty, however, any damage caused by doing so will not be covered.
The following steps will walk you through opening your MC610 case, as well as auto-powering on and clearing CMOS.
The case is very simple to open. To do so, remove the two screws from the back and slide the lid off towards the rear.

MC510-10 / MC610-10
Motherboard
Access the official Motherboard manual & OEM Resources from ASRock. This external link provides access to the complete motherboard manual, along with the latest BIOS updates and specific drivers for your system's motherboard (IMB-156).
BIOS
Warning: Never interrupt a BIOS update. If the update is interrupted, the system may become irreparable. Damage caused as a result of BIOS updates may not be covered by the system's warranty.
You can follow this how-to guide for installation instructions.
Auto Power On
Locate the PWR_JP1 jumper indicated by the orange circle
Move PWR_JP1 over by 1 pin
The unit is now configured for auto power on

Clear CMOS
Locate the clear CMOS jumper
Move the jumper over by 1 pin
Wait 30 seconds
Restore the jumper to its original position
The CMOS is now clear

MC610-50
Motherboard
Access the official Motherboard manual & OEM Resources from ASRock. This external link provides access to the complete motherboard manual, along with the latest BIOS updates and specific drivers for your system's motherboard (IMB-1212).
Using multiple displays
By default, only the Mini DP ports in the expansion bay are enabled. The motherboard’s onboard HDMI and VGA ports can be enabled in the BIOS to support additional displays.
BIOS
Warning: Never interrupt a BIOS update. If the update is interrupted, the system may become irreparable. Damage caused as a result of BIOS updates may not be covered by the system's warranty.
You can follow this how-to guide for installation instructions.
Auto Power On
Locate the PWR_JP1 jumper indicated by the orange circle
Move PWR_JP1 over by 1 pin
The unit is now configured for auto power on

Clear CMOS
Locate the clear CMOS jumper
Move the jumper over by 1 pin
Wait 30 seconds
Restore the jumper to its original position
The CMOS is now clear

DC Jack Installation (TM610)

Begin by removing the top 2 screws from the back of the unit.

Slide the lid off towards the back

Use a screwdriver to push out the two knockouts shown

Grab the knockouts with pliers and twist to remove

final result shown

Connect the 4 pin plug to the motherboard. It only fits 1 way. Push down gently until it clicks in.
Remove the nut and washer from the DC jack.
Push the DC jack through the larger of the 2 holes.

Install the washer and then the nut onto the DC jack from the outside of the case.
Hand tighten.

Slide the lid back on and reinstall the two screws

Grab the retaining zip tie kit

Push the zip tie into the hole

Face the ribbed side upward

Attach the clip to the power supply’s cable

Thread the zip tie through the clip’s hole and snug into place.

Use only the newly installed DC barrel jack to power the unit.
NEVER connect both power connectors at once.
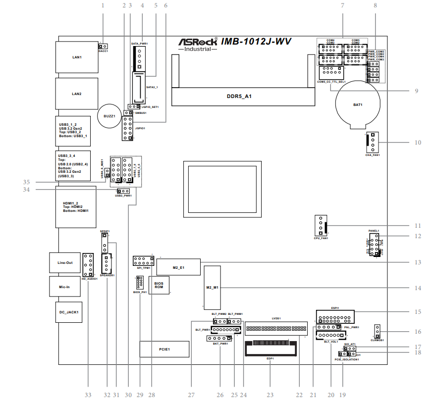
IMB-1012J-WV

Motherboard
Access the official Motherboard manual & OEM Resources from ASRock. This external link provides access to the complete motherboard manual, along with the latest BIOS updates and specific drivers for your system's motherboard (IMB-1012J-WV).

BIOS
Warning: Never interrupt a BIOS update. If the update is interrupted, the system may become irreparable. Damage caused as a result of BIOS updates may not be covered by the system's warranty.
You can follow this how-to guide for installation instructions.
Auto Power On
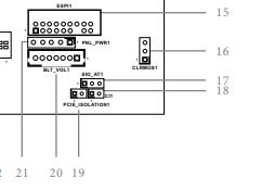
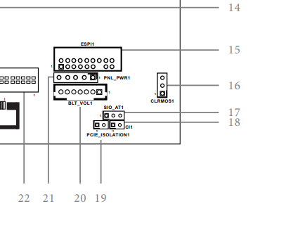
Locate the SIO_AT1 (#17) jumper indicated by the orange circle
Move SIO_AT1 over by 1 pin
The unit is now configured for auto power on

Clear CMOS
Locate the CLRMOS1 (#16) jumper
Move the jumper over by 1 pin
Wait 30 seconds
Restore the jumper to its original position
The CMOS is now clear

Regulatory
Security Advisory
For the latest security advisories concerning OnLogic products, including vulnerability disclosures and necessary updates, please refer to our official Security Advisories page. It is recommended to regularly check this resource for critical security information. Access Security Advisories
Last updated
